5. Jakiego rodzaju prostowniki mają silniki hamulcowe?
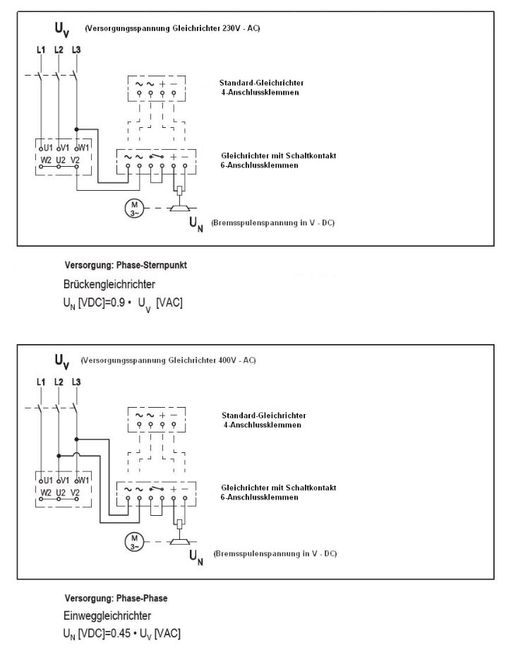
W silnikach z hamulcem stosowane są dwa rodzaje prostowników. Są to tak zwane prostowniki mostkowe i prostowniki półfalowe. Prostowniki mostkowe są zwykle używane do wielkości silnika 112 i są zasilane napięciem 230 V. Prostowniki półfalowe są zwykle używane od wielkości silnika 132 i są sterowane napięciem 400 V.
Funktionale Cookies sind für die Funktionalität des Webshops unbedingt erforderlich. Diese Cookies ordnen Ihrem Browser eine eindeutige zufällige ID zu damit Ihr ungehindertes Einkaufserlebnis über mehrere Seitenaufrufe hinweg gewährleistet werden kann.
Session:
Das Session Cookie speichert Ihre Einkaufsdaten über mehrere Seitenaufrufe hinweg und ist somit unerlässlich für Ihr persönliches Einkaufserlebnis.
CSRF-Token:
Das CSRF-Token Cookie trägt zu Ihrer Sicherheit bei. Es verstärkt die Absicherung bei Formularen gegen unerwünschte Hackangriffe.
Zeitzone:
Das Cookie wird verwendet um dem System die aktuelle Zeitzone des Benutzers zur Verfügung zu stellen.
Cookie Einstellungen:
Das Cookie wird verwendet um die Cookie Einstellungen des Seitenbenutzers über mehrere Browsersitzungen zu speichern.
Cache Behandlung:
Das Cookie wird eingesetzt um den Cache für unterschiedliche Szenarien und Seitenbenutzer zu differenzieren.
Herkunftsinformationen:
Das Cookie speichert die Herkunftsseite und die zuerst besuchte Seite des Benutzers für eine weitere Verwendung.
Aktivierte Cookies:
Speichert welche Cookies bereits vom Benutzer zum ersten Mal akzeptiert wurden.
Integracja CAPTCHA
Integracja CAPTCHA
Płatności PayPal
Płatności PayPal
Płatności PayPal
Płatności Google Pay
Płatności Google Pay
Płatności Google Pay
Płatności Google Pay
Google Tag Manager Debug Modus:
Ermöglicht es den Google Tag Manager im Debug Modus auszuführen.
PayPal:
Das Cookie wird für Zahlungsabwicklungen über PayPal genutzt.
Mollie Payment:
Dieses Cookie wird verwendet, um alle Ereignisse zu gruppieren, die von einer einzelnen Benutzersitzung auf mehreren Checkout-Seiten generiert wurden.
Umożliwia Google gromadzenie danych osobowych do celów reklamy i marketingu online.
Reklama i marketing Google
Umożliwia Google gromadzenie danych osobowych do celów reklamy i marketingu online.
Reklama i marketing Google
Notatnik
Notatnik
Notatnik
Notatnik
Wideo YouTube
Wideo YouTube
Wideo YouTube
Wideo YouTube
DooFinder
Notatnik
Wideo YouTube
DooFinder
Notatnik
Wideo YouTube
Notatnik
Wideo YouTube
Notatnik
Wideo YouTube
DooFinder
Notatnik
Wideo YouTube
Shopware Analytics to usługa analityczna służąca do rejestrowania zachowań zakupowych w tym sklepie internetowym, świadczona przez shopware AG (Ebbinghoff 10, 48624 Schöppingen, Niemcy) pod wspólną odpowiedzialnością (proszę zapoznać się również z informacjami o ochronie danych). Podstawą prawną przetwarzania danych jest art. 6 ust. 1 zdanie 1 lit. a RODO. Jeśli informacje są przechowywane lokalnie, proszę zapoznać się z naszą polityką prywatności, aby uzyskać więcej informacji na temat przetwarzania danych.
Odbiorcami danych są shopware AG i dostawcy usług IT. Stosowane technologie obejmują przechowywanie lokalne. Gromadzone dane obejmują grupę klientów, odwiedzane strony, ścieżki kliknięć, datę i godzinę wizyty, informacje o używanym urządzeniu końcowym (rozdzielczość, gęstość rozdzielczości, system operacyjny), adres URL odsyłacza, informacje o używanej przeglądarce, ustawienia regionalne, zapytania wyszukiwania, strefę czasową. Celem gromadzenia danych jest marketing, analiza i statystyka.
Przetwarzanie danych odbywa się na terenie Unii Europejskiej. Jeśli mają Państwo pytania dotyczące ochrony danych, mogą Państwo skontaktować się z inspektorem ochrony danych pod adresem legal@shopware.com. Więcej informacji znajdą Państwo na stronie https://www.shopware.com/de/datenschutz/website.
Przechowywane dane:
Shopware Analytics dodaje następujące dane do lokalnego magazynu przeglądarki do momentu cofnięcia zgody: _swa_anonymousId (unikalny identyfikator odwiedzającego), _swa_userTraits (charakterystyka użytkownika odwiedzającego).
Shopware Analytics to usługa analityczna służąca do rejestrowania zachowań zakupowych w tym sklepie internetowym, świadczona przez shopware AG (Ebbinghoff 10, 48624 Schöppingen, Niemcy) pod wspólną odpowiedzialnością (proszę zapoznać się również z informacjami o ochronie danych). Podstawą prawną przetwarzania danych jest art. 6 ust. 1 zdanie 1 lit. a RODO. Jeśli informacje są przechowywane lokalnie, proszę zapoznać się z naszą polityką prywatności, aby uzyskać więcej informacji na temat przetwarzania danych.
Odbiorcami danych są shopware AG i dostawcy usług IT. Stosowane technologie obejmują przechowywanie lokalne. Gromadzone dane obejmują grupę klientów, odwiedzane strony, ścieżki kliknięć, datę i godzinę wizyty, informacje o używanym urządzeniu końcowym (rozdzielczość, gęstość rozdzielczości, system operacyjny), adres URL odsyłacza, informacje o używanej przeglądarce, ustawienia regionalne, zapytania wyszukiwania, strefę czasową. Celem gromadzenia danych jest marketing, analiza i statystyka.
Przetwarzanie danych odbywa się na terenie Unii Europejskiej. Jeśli mają Państwo pytania dotyczące ochrony danych, mogą Państwo skontaktować się z inspektorem ochrony danych pod adresem legal@shopware.com. Więcej informacji znajdą Państwo na stronie https://www.shopware.com/de/datenschutz/website.
Przechowywane dane:
Shopware Analytics dodaje następujące dane do lokalnego magazynu przeglądarki do momentu cofnięcia zgody: _swa_anonymousId (unikalny identyfikator odwiedzającego), _swa_userTraits (charakterystyka użytkownika odwiedzającego).
Shopware Analytics to usługa analityczna służąca do rejestrowania zachowań zakupowych w tym sklepie internetowym, świadczona przez shopware AG (Ebbinghoff 10, 48624 Schöppingen, Niemcy) pod wspólną odpowiedzialnością (proszę zapoznać się również z informacjami o ochronie danych). Podstawą prawną przetwarzania danych jest art. 6 ust. 1 zdanie 1 lit. a RODO. Jeśli informacje są przechowywane lokalnie, proszę zapoznać się z naszą polityką prywatności, aby uzyskać więcej informacji na temat przetwarzania danych.
Odbiorcami danych są shopware AG i dostawcy usług IT. Stosowane technologie obejmują przechowywanie lokalne. Gromadzone dane obejmują grupę klientów, odwiedzane strony, ścieżki kliknięć, datę i godzinę wizyty, informacje o używanym urządzeniu końcowym (rozdzielczość, gęstość rozdzielczości, system operacyjny), adres URL odsyłacza, informacje o używanej przeglądarce, ustawienia regionalne, zapytania wyszukiwania, strefę czasową. Celem gromadzenia danych jest marketing, analiza i statystyka.
Przetwarzanie danych odbywa się na terenie Unii Europejskiej. Jeśli mają Państwo pytania dotyczące ochrony danych, mogą Państwo skontaktować się z inspektorem ochrony danych pod adresem legal@shopware.com. Więcej informacji znajdą Państwo na stronie https://www.shopware.com/de/datenschutz/website.
Przechowywane dane:
Shopware Analytics dodaje następujące dane do lokalnego magazynu przeglądarki do momentu cofnięcia zgody: _swa_anonymousId (unikalny identyfikator odwiedzającego), _swa_userTraits (charakterystyka użytkownika odwiedzającego).
Shopware Analytics to usługa analityczna służąca do rejestrowania zachowań zakupowych w tym sklepie internetowym, świadczona przez shopware AG (Ebbinghoff 10, 48624 Schöppingen, Niemcy) pod wspólną odpowiedzialnością (proszę zapoznać się również z informacjami o ochronie danych). Podstawą prawną przetwarzania danych jest art. 6 ust. 1 zdanie 1 lit. a RODO. Jeśli informacje są przechowywane lokalnie, proszę zapoznać się z naszą polityką prywatności, aby uzyskać więcej informacji na temat przetwarzania danych.
Odbiorcami danych są shopware AG i dostawcy usług IT. Stosowane technologie obejmują przechowywanie lokalne. Gromadzone dane obejmują grupę klientów, odwiedzane strony, ścieżki kliknięć, datę i godzinę wizyty, informacje o używanym urządzeniu końcowym (rozdzielczość, gęstość rozdzielczości, system operacyjny), adres URL odsyłacza, informacje o używanej przeglądarce, ustawienia regionalne, zapytania wyszukiwania, strefę czasową. Celem gromadzenia danych jest marketing, analiza i statystyka.
Przetwarzanie danych odbywa się na terenie Unii Europejskiej. Jeśli mają Państwo pytania dotyczące ochrony danych, mogą Państwo skontaktować się z inspektorem ochrony danych pod adresem legal@shopware.com. Więcej informacji znajdą Państwo na stronie https://www.shopware.com/de/datenschutz/website.
Przechowywane dane:
Shopware Analytics dodaje następujące dane do lokalnego magazynu przeglądarki do momentu cofnięcia zgody: _swa_anonymousId (unikalny identyfikator odwiedzającego), _swa_userTraits (charakterystyka użytkownika odwiedzającego).
Shopware Analytics to usługa analityczna służąca do rejestrowania zachowań zakupowych w tym sklepie internetowym, świadczona przez shopware AG (Ebbinghoff 10, 48624 Schöppingen, Niemcy) pod wspólną odpowiedzialnością (proszę zapoznać się również z informacjami o ochronie danych). Podstawą prawną przetwarzania danych jest art. 6 ust. 1 zdanie 1 lit. a RODO. Jeśli informacje są przechowywane lokalnie, proszę zapoznać się z naszą polityką prywatności, aby uzyskać więcej informacji na temat przetwarzania danych.
Odbiorcami danych są shopware AG i dostawcy usług IT. Stosowane technologie obejmują przechowywanie lokalne. Gromadzone dane obejmują grupę klientów, odwiedzane strony, ścieżki kliknięć, datę i godzinę wizyty, informacje o używanym urządzeniu końcowym (rozdzielczość, gęstość rozdzielczości, system operacyjny), adres URL odsyłacza, informacje o używanej przeglądarce, ustawienia regionalne, zapytania wyszukiwania, strefę czasową. Celem gromadzenia danych jest marketing, analiza i statystyka.
Przetwarzanie danych odbywa się na terenie Unii Europejskiej. Jeśli mają Państwo pytania dotyczące ochrony danych, mogą Państwo skontaktować się z inspektorem ochrony danych pod adresem legal@shopware.com. Więcej informacji znajdą Państwo na stronie https://www.shopware.com/de/datenschutz/website.
Przechowywane dane:
Shopware Analytics dodaje następujące dane do lokalnego magazynu przeglądarki do momentu cofnięcia zgody: _swa_anonymousId (unikalny identyfikator odwiedzającego), _swa_userTraits (charakterystyka użytkownika odwiedzającego).
Shopware Analytics to usługa analityczna służąca do rejestrowania zachowań zakupowych w tym sklepie internetowym, świadczona przez shopware AG (Ebbinghoff 10, 48624 Schöppingen, Niemcy) pod wspólną odpowiedzialnością (proszę zapoznać się również z informacjami o ochronie danych). Podstawą prawną przetwarzania danych jest art. 6 ust. 1 zdanie 1 lit. a RODO. Jeśli informacje są przechowywane lokalnie, proszę zapoznać się z naszą polityką prywatności, aby uzyskać więcej informacji na temat przetwarzania danych.
Odbiorcami danych są shopware AG i dostawcy usług IT. Stosowane technologie obejmują przechowywanie lokalne. Gromadzone dane obejmują grupę klientów, odwiedzane strony, ścieżki kliknięć, datę i godzinę wizyty, informacje o używanym urządzeniu końcowym (rozdzielczość, gęstość rozdzielczości, system operacyjny), adres URL odsyłacza, informacje o używanej przeglądarce, ustawienia regionalne, zapytania wyszukiwania, strefę czasową. Celem gromadzenia danych jest marketing, analiza i statystyka.
Przetwarzanie danych odbywa się na terenie Unii Europejskiej. Jeśli mają Państwo pytania dotyczące ochrony danych, mogą Państwo skontaktować się z inspektorem ochrony danych pod adresem legal@shopware.com. Więcej informacji znajdą Państwo na stronie https://www.shopware.com/de/datenschutz/website.
Przechowywane dane:
Shopware Analytics dodaje następujące dane do lokalnego magazynu przeglądarki do momentu cofnięcia zgody: _swa_anonymousId (unikalny identyfikator odwiedzającego), _swa_userTraits (charakterystyka użytkownika odwiedzającego).
Shopware Analytics to usługa analityczna służąca do rejestrowania zachowań zakupowych w tym sklepie internetowym, świadczona przez shopware AG (Ebbinghoff 10, 48624 Schöppingen, Niemcy) pod wspólną odpowiedzialnością (proszę zapoznać się również z informacjami o ochronie danych). Podstawą prawną przetwarzania danych jest art. 6 ust. 1 zdanie 1 lit. a RODO. Jeśli informacje są przechowywane lokalnie, proszę zapoznać się z naszą polityką prywatności, aby uzyskać więcej informacji na temat przetwarzania danych.
Odbiorcami danych są shopware AG i dostawcy usług IT. Stosowane technologie obejmują przechowywanie lokalne. Gromadzone dane obejmują grupę klientów, odwiedzane strony, ścieżki kliknięć, datę i godzinę wizyty, informacje o używanym urządzeniu końcowym (rozdzielczość, gęstość rozdzielczości, system operacyjny), adres URL odsyłacza, informacje o używanej przeglądarce, ustawienia regionalne, zapytania wyszukiwania, strefę czasową. Celem gromadzenia danych jest marketing, analiza i statystyka.
Przetwarzanie danych odbywa się na terenie Unii Europejskiej. Jeśli mają Państwo pytania dotyczące ochrony danych, mogą Państwo skontaktować się z inspektorem ochrony danych pod adresem legal@shopware.com. Więcej informacji znajdą Państwo na stronie https://www.shopware.com/de/datenschutz/website.
Przechowywane dane:
Shopware Analytics dodaje następujące dane do lokalnego magazynu przeglądarki do momentu cofnięcia zgody: _swa_anonymousId (unikalny identyfikator odwiedzającego), _swa_userTraits (charakterystyka użytkownika odwiedzającego).
Shopware Analytics to usługa analityczna służąca do rejestrowania zachowań zakupowych w tym sklepie internetowym, świadczona przez shopware AG (Ebbinghoff 10, 48624 Schöppingen, Niemcy) pod wspólną odpowiedzialnością (proszę zapoznać się również z informacjami o ochronie danych). Podstawą prawną przetwarzania danych jest art. 6 ust. 1 zdanie 1 lit. a RODO. Jeśli informacje są przechowywane lokalnie, proszę zapoznać się z naszą polityką prywatności, aby uzyskać więcej informacji na temat przetwarzania danych.
Odbiorcami danych są shopware AG i dostawcy usług IT. Stosowane technologie obejmują przechowywanie lokalne. Gromadzone dane obejmują grupę klientów, odwiedzane strony, ścieżki kliknięć, datę i godzinę wizyty, informacje o używanym urządzeniu końcowym (rozdzielczość, gęstość rozdzielczości, system operacyjny), adres URL odsyłacza, informacje o używanej przeglądarce, ustawienia regionalne, zapytania wyszukiwania, strefę czasową. Celem gromadzenia danych jest marketing, analiza i statystyka.
Przetwarzanie danych odbywa się na terenie Unii Europejskiej. Jeśli mają Państwo pytania dotyczące ochrony danych, mogą Państwo skontaktować się z inspektorem ochrony danych pod adresem legal@shopware.com. Więcej informacji znajdą Państwo na stronie https://www.shopware.com/de/datenschutz/website.
Przechowywane dane:
Shopware Analytics dodaje następujące dane do lokalnego magazynu przeglądarki do momentu cofnięcia zgody: _swa_anonymousId (unikalny identyfikator odwiedzającego), _swa_userTraits (charakterystyka użytkownika odwiedzającego).
Shopware Analytics to usługa analityczna służąca do rejestrowania zachowań zakupowych w tym sklepie internetowym, świadczona przez shopware AG (Ebbinghoff 10, 48624 Schöppingen, Niemcy) pod wspólną odpowiedzialnością (proszę zapoznać się również z informacjami o ochronie danych). Podstawą prawną przetwarzania danych jest art. 6 ust. 1 zdanie 1 lit. a RODO. Jeśli informacje są przechowywane lokalnie, proszę zapoznać się z naszą polityką prywatności, aby uzyskać więcej informacji na temat przetwarzania danych.
Odbiorcami danych są shopware AG i dostawcy usług IT. Stosowane technologie obejmują przechowywanie lokalne. Gromadzone dane obejmują grupę klientów, odwiedzane strony, ścieżki kliknięć, datę i godzinę wizyty, informacje o używanym urządzeniu końcowym (rozdzielczość, gęstość rozdzielczości, system operacyjny), adres URL odsyłacza, informacje o używanej przeglądarce, ustawienia regionalne, zapytania wyszukiwania, strefę czasową. Celem gromadzenia danych jest marketing, analiza i statystyka.
Przetwarzanie danych odbywa się na terenie Unii Europejskiej. Jeśli mają Państwo pytania dotyczące ochrony danych, mogą Państwo skontaktować się z inspektorem ochrony danych pod adresem legal@shopware.com. Więcej informacji znajdą Państwo na stronie https://www.shopware.com/de/datenschutz/website.
Przechowywane dane:
Shopware Analytics dodaje następujące dane do lokalnego magazynu przeglądarki do momentu cofnięcia zgody: _swa_anonymousId (unikalny identyfikator odwiedzającego), _swa_userTraits (charakterystyka użytkownika odwiedzającego).
Umożliwia Google gromadzenie danych osobowych do celów reklamy i marketingu online.
Reklama i marketing Google
Umożliwia Google gromadzenie danych osobowych do celów reklamy i marketingu online.
Reklama i marketing Google
Marketing Cookies dienen dazu Werbeanzeigen auf der Webseite zielgerichtet und individuell über mehrere Seitenaufrufe und Browsersitzungen zu schalten.
Google AdSense:
Das Cookie wird von Google AdSense für Förderung der Werbungseffizienz auf der Webseite verwendet.
Google Conversion Tracking:
Das Google Conversion Tracking Cookie wird genutzt um Conversions auf der Webseite effektiv zu erfassen. Diese Informationen werden vom Seitenbetreiber genutzt um Google AdWords Kampagnen gezielt einzusetzen.
Tracking Cookies helfen dem Shopbetreiber Informationen über das Verhalten von Nutzern auf ihrer Webseite zu sammeln und auszuwerten.
Google Analytics:
Google Analytics wird zur der Datenverkehranalyse der Webseite eingesetzt. Dabei können Statistiken über Webseitenaktivitäten erstellt und ausgelesen werden.
Hotjar:
Hotjar Cookies dienen zur Analyse von Webseitenaktivitäten der Nutzer. Der Seitenbenutzer wird dabei über das Cookie über mehrere Seitenaufrufe identifiziert und sein Verhalten analysiert.
Service Cookies werden genutzt um dem Nutzer zusätzliche Angebote (z.B. Live Chats) auf der Webseite zur Verfügung zu stellen. Informationen, die über diese Service Cookies gewonnen werden, können möglicherweise auch zur Seitenanalyse weiterverarbeitet werden.
Tawk:
Tawk stellt einen Live Chat für Seitenbenutzer zur Verfügung. Über das Cookie wird die Funktion der Anwendung über mehrere Seitenaufrufe hinweg sicher gestellt.
Pliki cookie wykorzystywane do statystyk i pomiarów wydajności sklepu.
Google Analytics
Menedżer tagów Google
Menedżer tagów Google
Menedżer tagów Google
Menedżer tagów Google
Menedżer tagów Google
Menedżer tagów Google
Menedżer tagów Google
Pliki cookie wykorzystywane do statystyk i pomiarów wydajności sklepu.
Google Analytics
Pliki cookie wykorzystywane do statystyk i pomiarów wydajności sklepu.
Google Analytics
Umożliwia Google gromadzenie danych osobowych do celów reklamy i marketingu online.
Reklama i marketing Google
Umożliwia Google gromadzenie danych osobowych do celów reklamy i marketingu online.
Reklama i marketing Google
Umożliwia Google gromadzenie danych osobowych do celów reklamy i marketingu online.
Reklama i marketing Google
Umożliwia Google gromadzenie danych osobowych do celów reklamy i marketingu online.
Reklama i marketing Google
Umożliwia Google gromadzenie danych osobowych do celów reklamy i marketingu online.
Reklama i marketing Google
Shopware Analytics to usługa analityczna służąca do rejestrowania zachowań zakupowych w tym sklepie internetowym, świadczona przez shopware AG (Ebbinghoff 10, 48624 Schöppingen, Niemcy) pod wspólną odpowiedzialnością (proszę zapoznać się również z informacjami o ochronie danych). Podstawą prawną przetwarzania danych jest art. 6 ust. 1 zdanie 1 lit. a RODO. Jeśli informacje są przechowywane lokalnie, proszę zapoznać się z naszą polityką prywatności, aby uzyskać więcej informacji na temat przetwarzania danych.
Odbiorcami danych są shopware AG i dostawcy usług IT. Stosowane technologie obejmują przechowywanie lokalne. Gromadzone dane obejmują grupę klientów, odwiedzane strony, ścieżki kliknięć, datę i godzinę wizyty, informacje o używanym urządzeniu końcowym (rozdzielczość, gęstość rozdzielczości, system operacyjny), adres URL odsyłacza, informacje o używanej przeglądarce, ustawienia regionalne, zapytania wyszukiwania, strefę czasową. Celem gromadzenia danych jest marketing, analiza i statystyka.
Przetwarzanie danych odbywa się na terenie Unii Europejskiej. Jeśli mają Państwo pytania dotyczące ochrony danych, mogą Państwo skontaktować się z inspektorem ochrony danych pod adresem legal@shopware.com. Więcej informacji znajdą Państwo na stronie https://www.shopware.com/de/datenschutz/website.
Przechowywane dane:
Shopware Analytics dodaje następujące dane do lokalnego magazynu przeglądarki do momentu cofnięcia zgody: _swa_anonymousId (unikalny identyfikator odwiedzającego), _swa_userTraits (charakterystyka użytkownika odwiedzającego).
Ta strona używa plików cookie, aby zapewnić Ci najlepszą możliwą funkcjonalność. Więcej informacji.